


企业新闻
THE LATEST NEWS
品质至上,诚信为重,用心服务,以科技领先,我们真诚与您合作,竭诚为您服务!
TO PROVIDE EXCELLENT PRODUCTS AND HIGH QUALITY SERVICES TO CUSTOMERS
冷凝器是制冷装置的主要热交换设备之一。它的任务是将压缩机排出的高压过热制冷剂蒸气,通过其向环境介质放出热量而被冷却、冷凝成为饱和液体,甚至过冷液体。
按照冷凝器使用冷却介质和冷却方式的不同,有水冷式、空气冷却式和水-空气冷却三种。
冷凝器按冷却方式:
1、空气冷却式;
2、水冷式;
3、蒸发冷却式(水-空气冷却)。
空气冷却式冷凝器中根据管外空气流动方式:
1、自然对流空气冷却式冷凝器
2、强制对流空气冷却式冷凝器
一、水冷式冷凝器
这种型式的冷凝器用水作为冷却介质,带走制冷剂冷凝时放出的热量。冷却水可以一次性使用,也可以循环使用。用循环水时,必须配有冷却塔或冷水池,保证水不断得到冷却。根据其结构不同,主要有壳管式和套管式以及现在多用的板式换热器。

壳管式冷凝器:制冷装置中使用的制冷剂不同,其结构特点也有所不同。一般立式壳管式冷凝器适用于大型氨制冷装置,而卧式壳管式冷凝器则普遍使用大、中型氨或氟利昂制冷装置中。管板与传热管的固定方式一般采用胀接法,以便于修理和更换传热管。
卧式壳管式冷凝器特点:传热系数高,冷却水用量少,操作管理方便;但是对冷却水水质 要求高。目前大、中型制冷装置普遍采用这种装置。
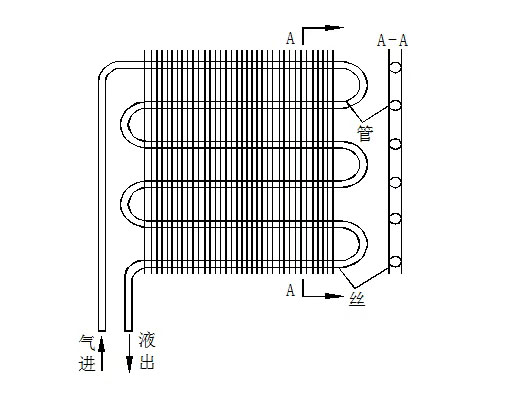
套管式冷凝器:它是由不同直径的管子套在一起,并弯制成螺旋形或蛇形的一种水冷式冷凝器。如图所示,制冷剂蒸气在套管间冷凝,冷凝液从下面引出,冷却水在直径较小的管道内自下而上流动,与制冷剂成逆流式,因此传热效果较好。


板式冷凝器:板式冷凝器是由一组不锈钢波纹板串接而成,在传热板两侧形成冷、热流体通道,在流动过程中通过板壁进行换热。

换热版厚度约为0.5mm左右,板间距一般为2-5mm,板式换热器体积小,重量轻,传热效率高,所需制冷剂充注量少,可靠性高近年来得到广泛应用。但其内容积小,冷凝后的液态制冷剂应及时排除,对冷却水质要求高,难以清洗,内部渗漏不易修复。

冷却水上进下出,制冷剂蒸气从上面进入,液态制冷剂从下面流出。
二、空气冷却式冷凝器
这种冷凝器以空气为冷却介质,制冷剂在管内冷凝,空气在管外流动,吸收管内制冷剂蒸气放出的热量。由于空气的换热系数较小,管外(空气侧)常常要设置肋片,以强化管外换热。分为空气自由流动和空气强制流动两种型式。
(1)空气自由流动的空冷冷凝器:该冷凝器利用空气在管外流动时吸收制冷剂排放的热量后,密度发生变化引起空气的自由流动而不断地带走制冷剂蒸气的凝结热。它不需要风机,没有噪声,多用于小型制冷装置。如下图所示:

空气强制流动的空冷冷凝器:如下图所示,它由一组或几组带有肋片的蛇管组成。制冷剂蒸气从上部集管进入蛇管,其管外肋片用以强化空气侧换热,补偿空气表面传热系数过低的缺陷。在结构方面,沿空气流动方向的管排数愈多,则后面排管的传热量愈小,使换热能力不能得到充分利用。为提高换热面积的利用率,管排数以取4-6排为好。

空气冷却式冷凝器与水冷式冷凝器比较:
①在冷却水充足的地方水冷式设备的初投资和运行费用均低于风冷式;
②由于夏季室外空气温度较高,冷凝温度一般可达50℃,为了获得同样的制冷量,风冷式设备制冷压缩机的容量约需增大15%;
③采用风冷式冷凝器的制冷设备系统组成简单,可缓解水源紧张;
三、蒸发式冷凝器
以水和空气作为冷却介质。它利用水蒸发时吸收热量使管内制冷剂蒸气凝结。水经水泵提升再由喷嘴喷淋到传热管的外表面,形成水膜一部分吸热蒸发变成水蒸汽,然后被进入冷凝器的空气带走。未被蒸发的水滴则落到下部的水池内。箱体上方设有挡水栅。用于阻挡空气中的水滴散失。蒸发式冷凝器结构原理如图所示。

蒸发式冷凝器特点:
①利用水汽化带走冷凝热,其所消耗的冷却水量只是补给的散失水量,冷却水耗量少;
②蒸发式冷凝器进口空气湿球温度对换热量影响很大。同样的冷凝温度和风量,进口湿球温度越小,冷却水蒸发量越大,冷凝效果越好;
③蒸发式冷凝器耗水量小,所需空气量不足风冷式1/2,因此特别适合于干燥缺水地区;
四川浩洋冷冻设备有限公司及下属子公司/天佑恒发能源装(四川)有限公司位于天府之国--成都。是一家专业生产冷却塔、空气冷却器、冷凝机组的专业设备制造厂家。
公司自建立以来,已完成了食品加工冷冻、冷藏、果蔬气调贮藏、化工及制药工艺冷却、食品加工车间净化处理等项目的设计、安装。无论您在任何地方建立食品加工厂、冷冻、冷藏厂,啤酒厂、乳制品厂、牲畜禽类屠宰场、水产品加工厂以及何种用途的工艺冷却、冷冻等,我们根据所提供的基本数据,就能为您项目提供最佳的项目方案和技术设计,并承担工程全部的成套设备供应、项目施工、安装调试等工作,提供给您合格的交钥匙工程。
公司注册资金壹千壹佰壹拾玖万,目前已取得了:开利压缩机及机组川渝地区总代理、冷库建造安装维修二级资质;荣获《四川省质量信誉双优单位》、中国冷博会授予《明星企业》;取得国家新型技术专利三项、商标注册三个、《危化品经营许可证》;并多次获得先进企业称号;被工商部门年年授予重合同守信用单位。
在新世纪,公司严格执行标准化管理,以先进的创新科技技术、精炼的专业人才为企业的立足之本,以全球化经济理念不断调整发展思路,大力开拓适应市场需求的高技术含量的新产品;我们一贯奉行“技术为本,节能、环保、低碳”的企业理念,以市场为导向,以有效的质量控制为基础,以真诚的服务为宗旨,以满足客户需求为目标,狠抓各项管理工作,保障优质工程,面对中国经济的高速发展,激烈竞争的大潮中,我们将继续努力,适应市场需求,为用户提供更优质服务,开拓发展,不断创新。