


企业新闻
THE LATEST NEWS
品质至上,诚信为重,用心服务,以科技领先,我们真诚与您合作,竭诚为您服务!
TO PROVIDE EXCELLENT PRODUCTS AND HIGH QUALITY SERVICES TO CUSTOMERS
一、冷风机翅片式换热器片距的选择:
冷风机做为制冷系统常用的蒸发器,其选用是否得当,直接影响制冷系统的效率。众所周知,冷风机根据所需要的环境温度不同,会采用不同的翅片间距。

我们常见的冷风机,翅片间距有4mm、4.5mm、6~8mm、10mm、12mm、16mm;还有前后变片距的。翅片间距小,适合高温环境,冷库温度越低,需要的翅片间距越大。如果选用的不正确,翅片结霜速度快,很快就会堵住风的通道冷库降温困难,压缩机效率发挥不出来,造成制冷系统的耗电量增加。
蒸发器片距的选择,我们可以参考一下的原则:
0℃~20℃的环境,如车间空调、阴凉库、冷库穿堂、保鲜库、气调库、催熟库等,选用片距为4mm或4.5mm的冷风机;
-16℃℃~-25C的环境,如低温冷冻冷藏、低温物流库,选用片距为6mm~8mm的冷风机;
-25℃~-35℃的速冻库,一般选用片距为10mm和12mm的冷风机,如果是速冻的货物湿度大,会选择变片距冷风机,进风侧翅片间距能达到16mm。
可是有一些场合,是不能单纯按温度来选择冷风机翅片间距的,比如肉类、蔬菜的快速预令、排酸,虽然冷间温度一般设置在0C以上,因为入货温度高、降温速度快、货物湿度大,如果再选用片距为4mm或4.5mm的冷风机,就不合适,必须用片距8mm甚至是10mm的冷风机才行。
还有类似于储存大蒜、苹果等果蔬的保鲜库,适宜的储存温度一般在-2C,像这种储存温度低于0℃的保鲜或气调库,也需要选用片距不小于8mm的冷风机,才能避兔快速结霜造成风道堵塞,耗电增加。
关于冷风机如何设计与选型,我们推荐各位同行参考一下的学习资料:
二、结霜与制冷系统的影响:
冷库制冷系统正常运行时蒸发器的表面温度远低于空气的露点温度,空气中的水分会析出而凝结在管壁上。若管壁温度低于0°时水露则疑结成霜。结霜也是制冷系统正常运行的结果,所以蒸发器表面允许少量的结霜。

由于霜的热导率太小,它是金属的百分之一,甚至几百分之ー,因而霜层就形成了较大的热阻,特别是霜层较厚时,犹如保温一样,使蒸发器中的冷量不容易散发出来,影响了蒸发器的制冷效果,最终使冷库达不到所要求的温度。
同时,制冷剂在蒸发器内的蒸发情况也要减弱,不完全蒸发的制冷剂有可能被压缩机吸入而造成液击事故。因此,必须设法将霜层除掉,否则霜层会越来越厚,制冷效果越来越差。
三、除霜的几个方式:
冷库制冷蒸发器结霜要从多方面综合分析,对蒸发器的设计,蒸发器在翅片间距,管路排布等要整体优化设计。冷库冷风机结霜严重的主要原因有以下几点:
1、维护结构、防潮隔汽层、隔热保温层损坏,造成室外大量的湿空气进入冷库内;
2、冷库门密封不严,门框或者门变形,密封条老化失去弹性或者损坏;
3、冷库内进入了大量的鲜货;
4、冷库内带水性作业严重;
5、进出货物频繁;

通常,我们冷库蒸发器最常见除霜方式,有以下四种方法:
第一种:人工除霜
在人工除霜过程中注意安全是第一位的,不要损坏制冷设备。其中设备上的凝霜大多以固态形式从制冷设备上脱落,对冷库内部的温度影响较小。弊处就是劳动强度大,浪费人工时间成本比较高,人工除霜覆盖面不全,除霜不彻底,容易损坏制冷设备等情况。
第二种:水溶霜
顾名思义就是通过向蒸发器表面浇注水,蒸发器温度升高,迫使附着在蒸发器表面的凝霜融化。水溶霜是在蒸发器外部进行的,所以在水溶霜的过程中必须要做好水流的处理工作,避免影响制冷设备的正常使用以及冷库内放置的一些物品。


水冲霜操作简单、时间短,是非常有效的除霜方法。在温度很低的冷库内,经过反复的冲霜,水温太低,会影响冲霜的效果;如果在设定的时间内没有把霜冲干净,在冷风机正常工作后,霜层可能会变成冰层,使下次冲霜更加困难。
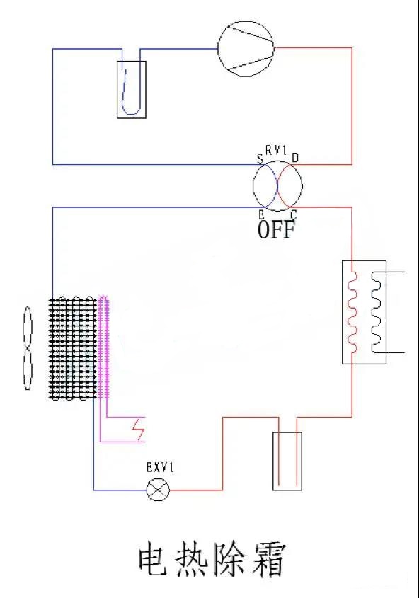
第三种:电加热融霜
电加热融霜是针对冷库内利用风机制冷的设备而言的,在制冷风机翅 片内部按照上、中、下布局安装电加热管或者加热丝,通过电流的热效应来为风机除霜,这种方法可通过微电脑控制器智能控制融霜,设置好融霜参数,就可实现智能定时融霜,可大大减少人工时间及精力。弊处就是电加热融霜会增加冷库一定的耗电量,但是效率非常高。

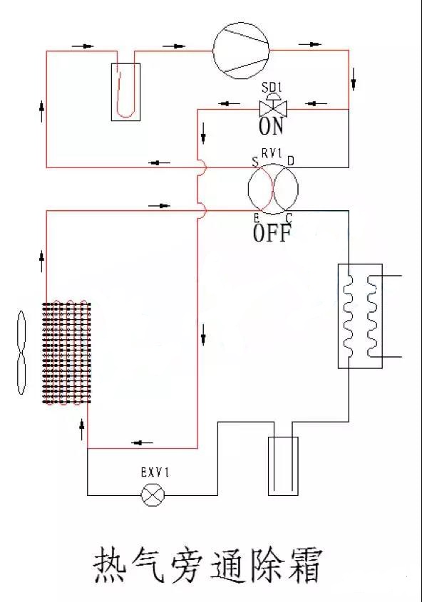
第四种:热工质融霜:

热工质融霜是利用压缩机排出的具有较高温度的过热制冷剂蒸气,经过油分离器后,进入蒸发器中,将蒸发器暂时当成冷凝器,利用热工质冷凝时所放出的热量,将蒸发器表面的霜层融化。
同时蒸发器内原来积存的制冷剂和润滑油,借助热工质加压或者重力排入融霜排液桶或低压循环桶。热气除霜时,冷凝器的负荷减小,冷凝器的运行也可节省部分电能。
四川浩洋冷冻设备有限公司及下属子公司/天佑恒发能源装(四川)有限公司位于天府之国--成都。是一家专业生产冷却塔、空气冷却器、冷凝机组的专业设备制造厂家。
公司自建立以来,已完成了食品加工冷冻、冷藏、果蔬气调贮藏、化工及制药工艺冷却、食品加工车间净化处理等项目的设计、安装。无论您在任何地方建立食品加工厂、冷冻、冷藏厂,啤酒厂、乳制品厂、牲畜禽类屠宰场、水产品加工厂以及何种用途的工艺冷却、冷冻等,我们根据所提供的基本数据,就能为您项目提供最佳的项目方案和技术设计,并承担工程全部的成套设备供应、项目施工、安装调试等工作,提供给您合格的交钥匙工程。
公司注册资金壹千壹佰壹拾玖万,目前已取得了:开利压缩机及机组川渝地区总代理、冷库建造安装维修二级资质;荣获《四川省质量信誉双优单位》、中国冷博会授予《明星企业》;取得国家新型技术专利三项、商标注册三个、《危化品经营许可证》;并多次获得先进企业称号;被工商部门年年授予重合同守信用单位。
在新世纪,公司严格执行标准化管理,以先进的创新科技技术、精炼的专业人才为企业的立足之本,以全球化经济理念不断调整发展思路,大力开拓适应市场需求的高技术含量的新产品;我们一贯奉行“技术为本,节能、环保、低碳”的企业理念,以市场为导向,以有效的质量控制为基础,以真诚的服务为宗旨,以满足客户需求为目标,狠抓各项管理工作,保障优质工程,面对中国经济的高速发展,激烈竞争的大潮中,我们将继续努力,适应市场需求,为用户提供更优质服务,开拓发展,不断创新。